PRO консультанты
Профессиональный подбор оборудования и аксессуаров
Большой ассортимент
Клинингового оборудования, аксессуаров и запчастей
Сервисная служба
Сервис и обслуживание по всей России
Доставка по России
Доставляем по России - оперативно в любую точку
Описание
Отзывы
Описание
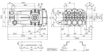
Насос высокого давления с латунной головкой и керамическими плунжерами. Качество и длительное время работы насоса обусловлено применением высокопрочных подшипников и износостойких уплотнений. Приводной вал диаметром 24 мм. с фланцем для двигателя 87 мм.
Особенности:
- Латунная головка.
- Керамические плунжеры.
- Высокопрочные подшипники.
- Износостойкие уплотнения.
- Диаметр вала 24 мм с фланцем для двигателя 87мм.
- Диаметр вала 24мм.
- Байпас нет X 19 Y 73.
Характеристики
Общие хар-ки
Бренд
Страна бренда
Италия
Гарантия
1 год
Тип насоса
плунжерный
Габариты, ДхШхВ
136 × 286 × 220 м
Вес
11.5 кг
Диаметр вала насоса
24 мм
Технические хар-ки
Тип привода насоса
без привода
Рабочее давление (бар)
350
Частота вращения вала (об/мин)
1450
Поток воды (л/час)
912
Максимальная температура воды на входе (С°)
60
Тип вала насоса
внешний гладкий
Сторона выхода вала
правый
D отв. фланца насоса
87 мм
Встроенный регулятор
нет
Подключение (вход)
1/2" внутр
Подключение (выход)
3/8" внутр
Отзывов ещё нет — ваш может стать первым.
Все отзывы 0
Подборки товаров в категории














