PRO консультанты
Профессиональный подбор оборудования и аксессуаров
Большой ассортимент
Клинингового оборудования, аксессуаров и запчастей
Сервисная служба
Сервис и обслуживание по всей России
Доставка по России
Доставляем по России - оперативно в любую точку
Описание
Отзывы
Описание
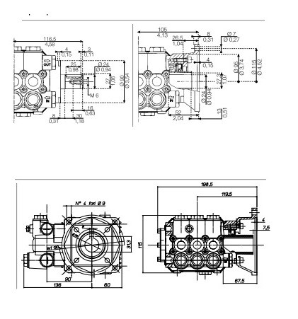
Насос высокого давления Comet LW 3513 S. Латунная головка, керамические плунжеры, диаметр вала 24 мм с фланцем под привод или муфту.
Осевое соединение 75 мм. Байпас нет Х 0 Y 63
Комплектация
- Насос высокого давления
- Крышка маслозаливной горловины
- Крепежный набор
Характеристики
Бренд
Comet
Страна бренда
Италия
Гарантия
1 год
Тип насоса
плунжерный
Рабочее давление (бар)
90
Поток воды (л/час)
804
Максимальная температура воды на входе (С°)
60
Тип привода насоса
без привода
Мощность привода
2200 Вт
Частота вращения вала (об/мин)
1450
Тип вала насоса
внешний гладкий
Диаметр вала насоса
24 мм
Сторона выхода вала
правый
Встроенный регулятор
нет
Подключение (вход)
1/2" внутр
Подключение (выход)
3/8" внутр
Габариты, ДхШхВ
191 × 196 × 117.5 мм
Вес
4.8 кг
Отзывов ещё нет — ваш может стать первым.
Все отзывы 0
Подборки товаров в категории










