PRO консультанты
Профессиональный подбор оборудования и аксессуаров
Большой ассортимент
Клинингового оборудования, аксессуаров и запчастей
Сервисная служба
Сервис и обслуживание по всей России
Доставка по России
Доставляем по России - оперативно в любую точку
Описание
Отзывы
Описание
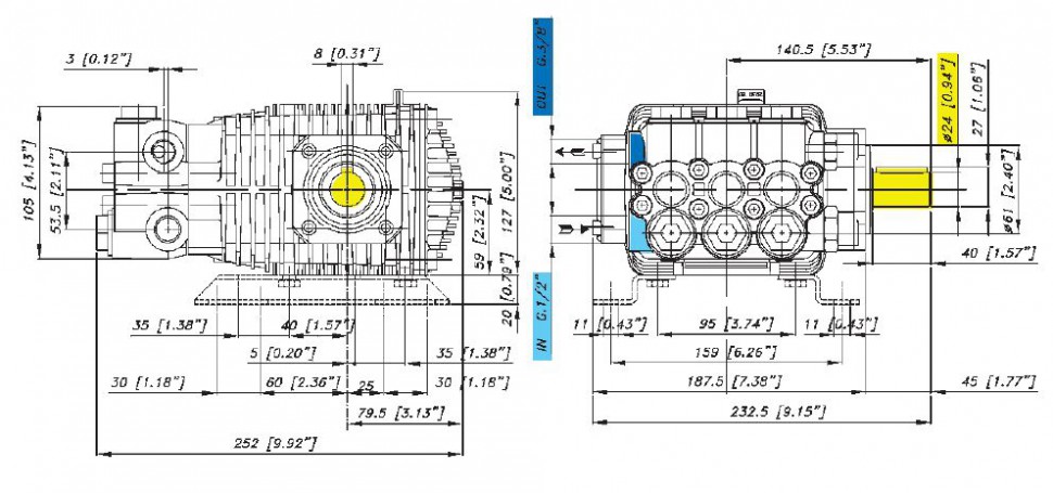
Плунжерный насос высокого давления с кривошипной передачей Bertolini TML 1728-HP. Номинальное давление 280 бар, расход воды 16,8 л/мин, частота вращения вала 1450 об/мин. Гладкий вал 24мм, шпонка.
Документация
Характеристики
Общие хар-ки
Бренд
Страна бренда
Италия
Гарантия
1 год
Тип насоса
плунжерный
Габариты, ДхШхВ
252 × 233 × 127 мм
Вес
10 кг
Диаметр вала насоса
24 мм
Технические хар-ки
Рабочее давление (бар)
280
Частота вращения вала (об/мин)
1450
Поток воды (л/час)
1008
Максимальная температура воды на входе (С°)
74
Мощность привода
8.9 кВт
Спец. особенности насоса
для высоких температур
Тип вала насоса
внешний гладкий
Сторона выхода вала
правый
Встроенный регулятор
нет
Подключение (вход)
1/2" внутр
Подключение (выход)
3/8" внутр
Отзывов ещё нет — ваш может стать первым.
Все отзывы 0
Подборки товаров в категории













