Мембранный насос марки COMET® серия BP 300 рассчитан на подачу воды под давлением до 20 бар, относится к насосам низкого давления. Успешно используется в агропромышленном комплексе для полива и орошения, а также широко применяется в коммунальной технике. Конструкция и используемые материалы позволяют перекачивать агрессивные химические вещества, используемые в сельском и коммунальном хозяйствах. Насосы оснащены торцевыми частями и коллекторами из техно-полимера, для максимальной химической устойчивости.
Материал мембран - NBR (нитрильный каучук). По запросу возможна комплектация мембранами из материалов VITON и DESMOPAN.
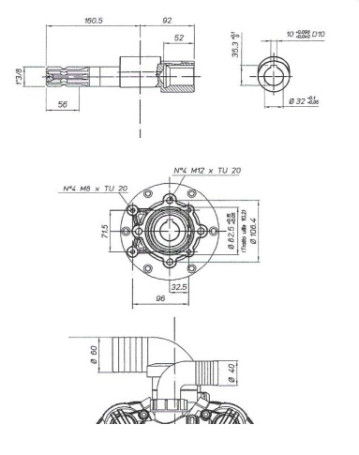
Помимо первичного вала 32 мм, насос оснащен валом отбора мощности (ВОМ) шлиц 1"3/8. ВОМ используется для последовательного подключения дополнительного насоса от одного привода.











