PRO консультанты
Профессиональный подбор оборудования и аксессуаров
Большой ассортимент
Клинингового оборудования, аксессуаров и запчастей
Сервисная служба
Сервис и обслуживание по всей России
Доставка по России
Доставляем по России - оперативно в любую точку
Описание
Отзывы
Описание
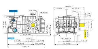
Плунжерный насос высокого давления с кривошипной/аксиальной передачей Mazzoni XM 17500R. Номинальное давление 500 бар, расход воды 17 л/мин, частота вращения вала 1450 об/мин.
Высокая производительность, минимальное обслуживание и надежность гарантируются качественными материалами, которые обеспечивают долгий срок службы.
Особенности:
- Увеличенные и отшлифованные направляющие поршневые штоки для уменьшения трения при скольжении и улучшения масляного уплотнения
- Увеличенный вал с выводом для лучшей передачи крутящего момента
- Толстые керамические поршни для увеличения срока службы
- Увеличенные шатуны из специального антифрикционного сплава
- Головка насоса из кованой латуни отличается высокой прочностью
- Система уплотнения с двойной прокладкой
- Корпус насоса прочной конструкции
- U-образные уплотнения
Характеристики
Бренд
UDOR
Страна бренда
Италия
Гарантия
12 мес
Тип насоса
плунжерный
Рабочее давление (бар)
500
Поток воды (л/час)
1020
Максимальная температура воды на входе (С°)
65
Тип привода насоса
без привода
Мощность привода
16.46 кВт
Частота вращения вала (об/мин)
1450
Тип вала насоса
внешний гладкий
Диаметр вала насоса
24 мм
Сторона выхода вала
правый
Встроенный регулятор
нет
Подключение (вход)
1/2" внутр
Подключение (выход)
3/8" внутр
Габариты, ДхШхВ
256 × 230 × 230 мм
Вес
12.4 кг
Отзывов ещё нет — ваш может стать первым.
Все отзывы 0
Подборки товаров в категории



















