PRO консультанты
Профессиональный подбор оборудования и аксессуаров
Большой ассортимент
Клинингового оборудования, аксессуаров и запчастей
Сервисная служба
Сервис и обслуживание по всей России
Доставка по России
Доставляем по России - оперативно в любую точку
Описание
Отзывы
Описание
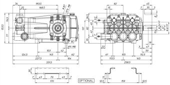
Насос высокого давления Mazzoni TGM43170R с никелерованной головной частью, для работы с горячей водой до 85 град.С.
Диаметр поршня - 25 мм.
Особенности:
- С поршнями специально обработанными для плавного хода и лучшей смазки и большей прочности
- Впускной клапан с большими проходами для воды
- Стержни, изготовленные из специального сплава трения, головка насоса из кованой латуни
- Двойная система уплотнения прокладок
- Конические роликоподшипники с высокой устойчивостью
- Корпус насоса предназначен для долговечного использования
- Уплотнения «U»
Комплектация
- Насос высокого давления
- Крышка маслозаливной горловины
- Крепежный набор
Характеристики
Бренд
Mazzoni
Страна бренда
Италия
Гарантия
1 год
Тип насоса
плунжерный
Рабочее давление (бар)
170
Поток воды (л/час)
2400
Максимальная температура воды на входе (С°)
85
Тип привода насоса
без привода
Мощность привода
13.5 кВт
Частота вращения вала (об/мин)
1450
Спец. особенности насоса
никелированное покрытие, для высоких температур
Тип вала насоса
внешний гладкий
Диаметр вала насоса
24 мм
Сторона выхода вала
правый
Встроенный регулятор
нет
Подключение (вход)
3/4" внутр
Подключение (выход)
1/2" внутр
Габариты, ДхШхВ
35 × 25 × 30 см
Вес
14 кг
Отзывов ещё нет — ваш может стать первым.
Все отзывы 0
Подборки товаров в категории






















